Scan With Your Mobile Phone
Overview
The NWCB high-viscosity built-in external meshing thermal insulation gear pump is mainly used for the spraying of emulsified asphalt. The heating of the pump is achieved by four heating rods installed on the pump body, featuring fast heating and convenient maintenance, making it particularly suitable for transporting high-viscosity media.
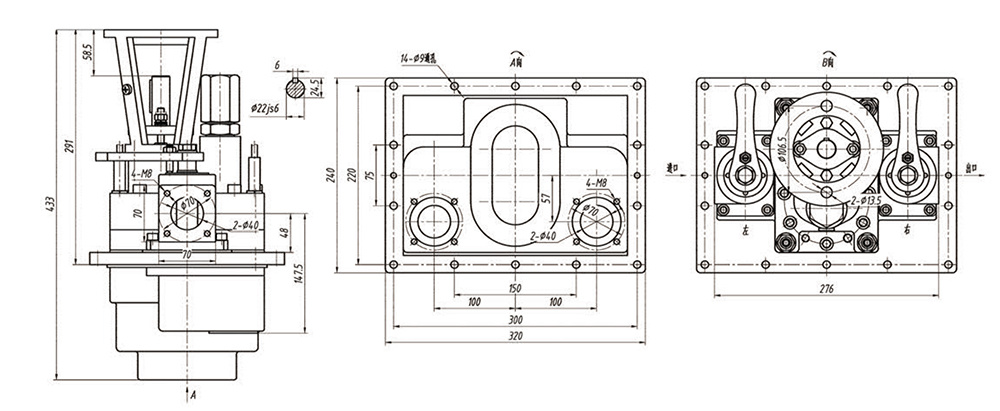
The NWCB thermal insulation gear pump produced by our company has four inlets and outlets divided into left and right, and inside and outside. It is generally used with the left side as the inlet and the right side as the outlet. The left side outer inlet is called the external inlet, the left side inner inlet is called the internal inlet, and the right side has external and internal outlets. The functions include: internal circulation, external circulation, and external inlet, etc. The sealing components are made of materials with high-temperature resistance and aging resistance, which can be used for a long time at high temperatures of 200°C.

Basic Technical Parameters Table of NWCB Series
| Parameter Parameter | Flow Rate FlowRate (L/min) | Pressure Pressure (MPa) | Rotational Speed
Rotate Speed (r/min) |
Required NPSH
NPSHr (m) |
Shaft Power
Shaft Power (kW) |
|
NWCB20 |
110 | 0.3 | 550 | 2.5 | 0.71 |
| 95 | 0.5 | 550 | 2.5 | 1.03 |
a simple structure and stable performance. Both the front and rear of the pump are equipped with insulation chambers, allowing gas or liquid to be used as a heat carrier to heat and insulate the pump, making it particularly suitable for transporting high-viscosity media. This series of insulated gear pumps has two inlet and outlet configurations: left inlet and right outlet, and right inlet and left outlet, with the same installation dimensions and strong interchangeability.
Previous:
Next:
RCB Herringbone Gear Pump Series
NWCB Built-In External Engagement Therma Insulation Gear Pump

No. 15 Dongsheng Road, Xian County, Cangzhou City, Hebei Province
info@example.com
+8613082162585

Follow Us
Copyright © 2025 rongyupump.com All rights reserved. Hebei Rongyu Pump Industry Co., Ltd Technical Support:Beyond Technology